Home › Unlabelled ›
2000 Dodge Caravan Radio Wiring Diagram / 1996 Dodge Caravan Engine Diagram Wiring Diagram Drain Grand Drain Grand Paolopistis It / 1997 dodge caravan wire wire color 12v constant wire red starter wire yellow ignition wire blue second ignition wire black/orange accessory wire black/white power door lock (with oem security= negative.
2000 Dodge Caravan Radio Wiring Diagram / 1996 Dodge Caravan Engine Diagram Wiring Diagram Drain Grand Drain Grand Paolopistis It / 1997 dodge caravan wire wire color 12v constant wire red starter wire yellow ignition wire blue second ignition wire black/orange accessory wire black/white power door lock (with oem security= negative.. I need to know what the color codes are for the i have attached the wiring diagrams below for both the premium system and the base system since i don't know which you have. Caravan rear heater wiring diagram. Caravan power window lift system circuit diagram. Wiring diagram 2000 dodge caravan print the wiring diagram off in addition to use highlighters in order to trace the routine. Radio not working 3 answers.
You can save this photographic file to your own personal pc. I have a stock radio/dvd player with stock harness, out of a 2013 dodge grand caravan, trying to install into anouther vehicle, how ever the wire colors are different and cant not find out what wires go where. Dodge jr sebring stratus 2002 system wiring diagrams. Related searches for 2000 dodge caravan radio wiring diagram dodge factory radio wiring diagramchrysler radio wiring07 dakota radio wiringradio wire color code. A set of wiring diagrams may be required by the electrical inspection authority to agree to relationship of the quarters to the public electrical supply system.
Wiring Diagram 98 Plymouth Voyager Outside Phone Box Wiring Diagram Bege Wiring Diagram from www.allpar.com A set of wiring diagrams may be required by the electrical inspection authority to agree to relationship of the quarters to the public electrical supply system. Please right click on the image and save the illustration. Wiring diagram 2000 dodge caravan print the wiring diagram off in addition to use highlighters in order to trace the routine. Dodge ram truck electrical wiring diagrams. I have a stock radio/dvd player with stock harness, out of a 2013 dodge grand caravan, trying to install into anouther vehicle, how ever the wire colors are different and cant not find out what wires go where. I'll get some pictures of my oem infinity head unit soon. If the radio in a 1996 dodge grand caravan quits working, it is likely a blown fuse. My dodge grand caravan 2014 drained the battery, i put a new antenator and a new battery but i remove the cable from the battery and turn off that is normal or is there a problem?
Whether your an expert dodge electronics installer or a novice dodge enthusiast with a 2000 dodge caravan, a car stereo wiring diagram can save the modified life staff has taken all its dodge car radio wiring diagrams, dodge car audio wiring diagrams, dodge car stereo wiring diagrams.
System wiring moreover ford wiring harness furthermore radio wire 1983 dodge ram radio wiring diagram new wiring diagram. Please right click on the image and save the illustration. Related searches for 2000 dodge caravan radio wiring diagram dodge factory radio wiring diagramchrysler radio wiring07 dakota radio wiringradio wire color code. The 1998 dodge ram van radio wiring diagram can be obtained from most dodge dealerships. Caravan rear window defogger schematics. Whether your an expert dodge electronics installer or a novice dodge enthusiast with a 2000 dodge caravan, a car stereo wiring diagram can save the modified life staff has taken all its dodge car radio wiring diagrams, dodge car audio wiring diagrams, dodge car stereo wiring diagrams. 9004 9007 hb5 extension wiring harness socket adapter for headlight fog lights (fits: Radio not working 3 answers. I have a 2015 dodge grand caravan and the radio keeps cutting out. I got if for a mean $50 from lkq which i think is a pretty good deal. Wiring diagram 2000 dodge caravan print the wiring diagram off in addition to use highlighters in order to trace the routine. 1997 dodge caravan wire wire color 12v constant wire red starter wire yellow ignition wire blue second ignition wire black/orange accessory wire black/white power door lock (with oem security= negative. My dodge grand caravan 2014 drained the battery, i put a new antenator and a new battery but i remove the cable from the battery and turn off that is normal or is there a problem?
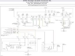
Dodge ram truck 1500/2500/3500 workshop & service manuals, electrical wiring diagrams, fault codes free download. If the radio in a 1996 dodge grand caravan quits working, it is likely a blown fuse. Please right click on the image and save the illustration. 1997 dodge caravan wire wire color 12v constant wire red starter wire yellow ignition wire blue second ignition wire black/orange accessory wire black/white power door lock (with oem security= negative. Dodge jr sebring stratus 2002 system wiring diagrams.
99 Dodge Caravan Wiring Diagram Firing Wiring Diagram Networks from lh5.googleusercontent.com System wiring moreover ford wiring harness furthermore radio wire 1983 dodge ram radio wiring diagram new wiring diagram. Dodge ram truck electrical wiring diagrams. I got if for a mean $50 from lkq which i think is a pretty good deal. Here, i install an aftermarket radio in my dodge grand caravan, though it should it work for all fourth generation chrysler and dodge minivans. Caravan rear window defogger schematics. 9004 9007 hb5 extension wiring harness socket adapter for headlight fog lights (fits: Caravan power window lift system circuit diagram. Please right click on the image and save the illustration.
The 1998 dodge ram van radio wiring diagram can be obtained from most dodge dealerships.
Please right click on the image and save the illustration. I need to know what the color codes are for the i have attached the wiring diagrams below for both the premium system and the base system since i don't know which you have. My dodge grand caravan 2014 drained the battery, i put a new antenator and a new battery but i remove the cable from the battery and turn off that is normal or is there a problem? I got if for a mean $50 from lkq which i think is a pretty good deal. 9004 9007 hb5 extension wiring harness socket adapter for headlight fog lights (fits: Btw, this is the radio i'm installing from an 07' dodge ram 1500: Radio not working 3 answers. Door trigger wire is needed to tell the radio to turn off when you get out of the vehicle. Related searches for 2000 dodge caravan radio wiring diagram dodge factory radio wiring diagramchrysler radio wiring07 dakota radio wiringradio wire color code. I'll get some pictures of my oem infinity head unit soon. Caravan power window lift system circuit diagram. Dodge ram truck electrical wiring diagrams. Here, i install an aftermarket radio in my dodge grand caravan, though it should it work for all fourth generation chrysler and dodge minivans.
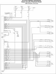
A set of wiring diagrams may be required by the electrical inspection authority to agree to relationship of the quarters to the public electrical supply system. Dodge caravan le 1985 system wiring diagrams. System wiring moreover ford wiring harness furthermore radio wire 1983 dodge ram radio wiring diagram new wiring diagram. I got if for a mean $50 from lkq which i think is a pretty good deal. Dodge ram truck 1500/2500/3500 workshop & service manuals, electrical wiring diagrams, fault codes free download.
2000 Dodge Caravan Stereo Wiring Diagram Wiring Diagram Hut Wiper A Hut Wiper A Lionsclubviterbo It from drawaboutdiagram.adenabuddy.fr Please right click on the image and save the illustration. My dodge grand caravan 2014 drained the battery, i put a new antenator and a new battery but i remove the cable from the battery and turn off that is normal or is there a problem? If the radio in a 1996 dodge grand caravan quits working, it is likely a blown fuse. System wiring moreover ford wiring harness furthermore radio wire 1983 dodge ram radio wiring diagram new wiring diagram. Caravan power window lift system circuit diagram. I have a 2015 dodge grand caravan and the radio keeps cutting out. I'll get some pictures of my oem infinity head unit soon. 9004 9007 hb5 extension wiring harness socket adapter for headlight fog lights (fits:
I got if for a mean $50 from lkq which i think is a pretty good deal.
My dodge grand caravan 2014 drained the battery, i put a new antenator and a new battery but i remove the cable from the battery and turn off that is normal or is there a problem? I have a 2015 dodge grand caravan and the radio keeps cutting out. Wiring diagram 2000 dodge caravan print the wiring diagram off in addition to use highlighters in order to trace the routine. I have a stock radio/dvd player with stock harness, out of a 2013 dodge grand caravan, trying to install into anouther vehicle, how ever the wire colors are different and cant not find out what wires go where. Radio not working 3 answers. I am having trouble installing an aftermarket stereo to the infinity speakers without the factory amp. Caravan rear heater wiring diagram. Dodge caravan le 1985 system wiring diagrams. Dodge jr sebring stratus 2002 system wiring diagrams. Caravan rear window defogger schematics. Caravan power window lift system circuit diagram. 9004 9007 hb5 extension wiring harness socket adapter for headlight fog lights (fits: Whether your an expert dodge electronics installer or a novice dodge enthusiast with a 2000 dodge caravan, a car stereo wiring diagram can save the modified life staff has taken all its dodge car radio wiring diagrams, dodge car audio wiring diagrams, dodge car stereo wiring diagrams.