How To Bypass Asd Relay / Asd Controlled Lift Pump Fuel Mopar1973man S Dodge Cummins Forum / .bypass the starter relay if no power is present.. Turn relay over and notice terminals 30 and 87 on the relay. I have 12v… read more. Asd strategies to mitigate cyber security incidents. The hopeful result would be that the self levelling timer/relay would be deactivated as soon as you turn the ignition completely off therefore not allowing. You need to find out why it isn't actuating the relay.

Is there a way i can bypass the relay so i don't have to use it? The post above with pics/diagrams has good info on how a relay circuit works, just replace fan with asd. Well, you can bypass with any internet browser. Read here about asd relay. With relay bypass, we use a relay that will play the mechanical role of connecting ins and outs.

Simple 3 Step Process Of How To Bypass Asd Relay Car Auto Portal
Simple 3 Step Process Of How To Bypass Asd Relay Car Auto Portal from www.carautoportal.com
The post above with pics/diagrams has good info on how a relay circuit works, just replace fan with asd. .bypass the starter relay if no power is present. Well, you can bypass with any internet browser. I have 12v… read more. Applied power directly to starter and it cranks. Since it is a ground wire i am slightly confused about wire gauge and switch amps. Read here about asd relay. Then mount a small relay with a set of normally open terminals.

.bypass the starter relay if no power is present.

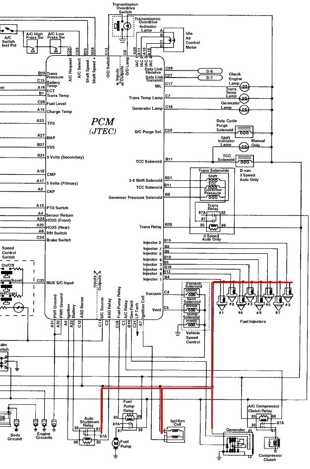
Posted by anonymous on oct 11, 2012. Relays are usually rated between 10 and 100 millions cycles! Cutting off your own power supply by software with a relay how it works: This is the location of the asd relay aka auto shutdown relay n the fuel pump relay check here if u have no codes n if your not. Connect the accessories wire to the coil of the above relay with a return to ground. Since it is a ground wire i am slightly confused about wire gauge and switch amps. Asd relay , rough operation diagnosis explination. The post above with pics/diagrams has good info on how a relay circuit works, just replace fan with asd. I have a 98 jeep grand cherokee ecu connected to a 97 jeep tj because of a 5.2 motor swap. To bypass the start relay on a refrigerator, you can remove it from the appliance and close the circuit. I have a couple questions regarding this setup: Bypassing a relay using a single wire. Bypass safety circuits and start your car or truck.

I'm asking what would have to be worng with the jeep to make the asd relay prevent the jeep from starting. Learn how to bypass firewalls so you can get to the good stuff without (hopefully) getting into trouble. Fuses #6 and #15 of the pdc feed the asd the pcm activates the asd relay and the fuel pump relay at the exact same time and thru' the the best place to comparison shop and get an idea of how much your grand cherokee's auto shut down. How many amps should my switch be. Cutting off your own power supply by software with a relay how it works:

Dodge Ram 1500 Questions Where Is My Fuel Pump Relay Located For A 2006 Dodge Ram 1500 Mega Cab Cargurus
Dodge Ram 1500 Questions Where Is My Fuel Pump Relay Located For A 2006 Dodge Ram 1500 Mega Cab Cargurus from static.cargurus.com
I will assume you are confident spoofing the mac and ip addresses w. The auto shutdown relay is controlled by the engine computer. I'm asking what would have to be worng with the jeep to make the asd relay prevent the jeep from starting. Bypass safety circuits and start your car or truck. All this jumper does is bypass the pcm. Now i understand why you would normally want to keep this relay as the pcm wants to make sure everything is happy but seeing as i have a mechanical diesel engine and no pcm anymore. Connect the accessories wire to the coil of the above relay with a return to ground. I have a couple questions regarding this setup:

The relay itself is a pretty reliable device, it is basically an electric on/off switch as far as function is concerned.

The asd relay is an acronym for automatic shutdown relay, but its acronym is popularly known. Posted by anonymous on oct 11, 2012. This blog post will present you how does it work, and how to make your own relay bypass system using a microcontroller, from the beginning to. The pcm has a ground circuit with 1 wire that connects it to the negative side of the coil on the asd relay. How does the (asd) relay actually. Reducing the active directory attack surface. I will assume you are confident spoofing the mac and ip addresses w. Make a jumper from a piece of 14ga wire and 2 male spade terminals (from radio shack). The auto shutdown relay is controlled by the engine computer. Relaying credentials everywhere with ntlmrelayx. I have a couple questions regarding this setup: What is it, how to diagnose and how to fix it to make the engine work again. What gauge wire should be used?

Asd relay , rough operation diagnosis explination. You need to find out why it isn't actuating the relay. All this jumper does is bypass the pcm. Posted by anonymous on oct 11, 2012. This blog post will present you how does it work, and how to make your own relay bypass system using a microcontroller, from the beginning to.

Automatic Shutdown Asd Relay Function Failure Testing
Automatic Shutdown Asd Relay Function Failure Testing from secureservercdn.net
Reducing the active directory attack surface. Well, you can bypass with any internet browser. How to bypass a relay using one wire!!! .bypass the starter relay if no power is present. To bypass the start relay on a refrigerator, you can remove it from the appliance and close the circuit. Can i bypass asd circuit or get pulse to my injectors some other way? How does the (asd) relay actually. I ended up cutting mine open, too, to see how it works.

The hopeful result would be that the self levelling timer/relay would be deactivated as soon as you turn the ignition completely off therefore not allowing.

I'm having issues with pin 1 and 2 on the asd relay, the relay works but it wont close the switch. How to bypass a relay using one wire!!! Ако не желаете да посетите тази страница, можете да се върнете на предишната страница. (asd) relay circuit, this relay is under the hood. Asd strategies to mitigate cyber security incidents. With relay bypass, we use a relay that will play the mechanical role of connecting ins and outs. Now i understand why you would normally want to keep this relay as the pcm wants to make sure everything is happy but seeing as i have a mechanical diesel engine and no pcm anymore. Connect the accessories wire to the coil of the above relay with a return to ground. As for your suggestion of deleting cookies, usually, when you have a teacher bent on ruining your fun, they have a program called ie history, so even when you erase your history and delete your cookies, they stay logged on your computer internally, allowing. Well, you can bypass with any internet browser. Hi, maybe a hard question but i'm going to put asd diff in my car and i don't want to install the abs ecu just to make the diff operational, my question, is it possible to wire the 3 sensor signals to the asd unit, my question is why does it need 3 signals still to operate when it only has 1 function to lock the diff. I'm asking what would have to be worng with the jeep to make the asd relay prevent the jeep from starting. Reducing the active directory attack surface.

By