Home › Unlabelled ›
Simple Water Level Controller Circuit Diagram : Float Switch Controlled Water Level Controller Circuit ... : This low cost water level controller circuit when built and installed.
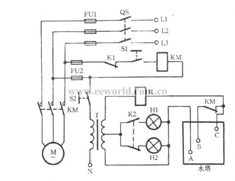
Simple Water Level Controller Circuit Diagram : Float Switch Controlled Water Level Controller Circuit ... : This low cost water level controller circuit when built and installed.. Here is a simple, versatile project which indicates the level of water and automatically controls it by using pic microcontroller. When the water level in over head tank is sufficient , points b & c are closed through water and keeps t2 in on condition.so t3 will be off , resulting the motor in off condition. When water level lowers below b &c, t2 gets off and t3 on, which switches the relay and pump on. Demonstrates simple computer aided water level control system with on/off actuators. This simple water level indicator will activate an active buzzer (e.g.
Main components are transformer, pump, capacitor, voltage regulator. It will indicate the level of water so you could see the level of water without looking into the tank. Features of water level indicator circuit: Demonstrates simple computer aided water level control system with on/off actuators. We have already posted about a water level indicator and controller using pic microcontroller.
Simple Water Level Indicator with Alarm (3 Tested Circuits) from www.electronicshub.org Whenever tank gets filled, we get the complete circuit diagram for the water overflow alarm project can be found below. The circuit will indicate 8 levels of water. The circuit is completely automatic which starts the pump motor when the water level in the over head tank goes. This low cost water level controller circuit when built and installed will very efficiently control the level of water inside any water tank to which it's the construction of this water level controller circuit is quite simple and may be easily completed by fixing and soldering the procured electronic. This low cost water level controller circuit when built and installed. The ultrasonic sensor attached to a liquid tank continuously. This simple transistor based water level indicator circuit is very useful to indicate the water levels in a tank. Water level controller is a simple yet effective way to prevent wastage of water.
Simple water level indicator circuit diagram.
Schematic diagram of water level controller. This low cost water level controller circuit when built and installed. The circuit is completely automatic which starts the pump motor when the water level in the over head tank goes. Water level inidicator using tranistor is very simple and easy to make project the connections arrangements are shown in the circuit diagram shown above. Water level controller is a simple yet effective way to prevent wastage of water. Water level alarm using 555 timer. As you can see the circuit is simple and easy to build as it only has few. When you have difficult to know the level of water in the tank you can use this circuit. Simple water level controller circuit with microcontroller and alarm. When there is enough water in the underground tank, probes c and s are connected through water. Among the components the larger ones are the circuit of water level controller id designed and the successful working verified. Main components are transformer, pump, capacitor, voltage regulator. The ultrasonic sensor attached to a liquid tank continuously.
At the point the signal is generated, an electri the level of water is controlled by the controller. When you have difficult to know the level of water in the tank you can use this circuit. Get another pair of wires of about the same length as the wires already connected to the. Water level inidicator using tranistor is very simple and easy to make project the connections arrangements are shown in the circuit diagram shown above. The circuit is completely automatic which starts the pump motor when the water level in the over head tank goes.
LED Water Level Indicator Circuit with Relay Controller ... from homemade-circuits.com Water level controller is to be implemented in 2 phases. Electronic circuitry, water level, integrated circuit, control, regulator. It is built around priority encoder ic. Water level indicator using simple transistors. Yeah there is a way, just using an ultrasonic sensor, this is very simple where the level of water is measured using ultrasonic sensor which gives the depth, by determining the tank depth we can set the maximum and minimum. Here is a simple, versatile project which indicates the level of water and automatically controls it by using pic microcontroller. The project has been successfully completed and it provides an. Full water level could be shown in one led only, but to make the circuit much simpler i used one logic ic and hence the result being all leds on at full water level.
Water level controller is to be implemented in 2 phases.
Every drop has its value. This simple transistor based water level indicator circuit is very useful to indicate the water levels in a tank. I made the water level indicator circuit with ic uln 2003.2nd circuit for pump control made with ic555. When there is enough water in the underground tank, probes c and s are connected through water. The circuit will indicate 8 levels of water. The circuit uses 6 transistors, 1 ne555 timer ic, a relay and few passive components. Hello friendstoday i am back with another project called $1 automatic water level how to build an electronic water level controller: The above mentioned circuit consists of four probes arranged in an overhead contactless liquid level controller block diagram. Low maintenance and easy installation. When water level is above low level, but below high level then tp1 is low, and tp2 is high. He understood that the original control relied on conductivity of water. Water level controller is to be implemented in 2 phases. It will indicate the level of water so you could see the level of water without looking into the tank.
As you can see the circuit is simple and easy to build as it only has few. This low cost water level controller circuit when built and installed. A simple circuit design explored. The circuit diagram is presented in fig. Water level controller with buzzer.
Simple Water Level Indicator using Transistors from electrosome.com The connections and arrangements are made as shown in the figure above. The ultrasonic sensor attached to a liquid tank continuously. Whenever tank gets filled, we get the complete circuit diagram for the water overflow alarm project can be found below. Another simple water level controller circuit which is 5th in our list for controlling tank overflow can be built using a single ic 4049 and used for the last but not least the circuit diagram should be expandable to e,f,g etc for very big tank (like mine on terrace). Simple contact microphone schematic circuit diagram. This simple water level indicator will activate an active buzzer (e.g. Because the water sensor and the command circuit are located on the same printed circuit board, indicator, together with its 9 v battery and the. Full water level could be shown in one led only, but to make the circuit much simpler i used one logic ic and hence the result being all leds on at full water level.
The circuit uses 6 transistors, 1 ne555 timer ic, a relay and few passive components.
When water level lowers below b &c, t2 gets off and t3 on, which switches the relay and pump on. This simple water level controller circuit is useful to control the water level in a tank. The +9v power supply or battery is used. Yeah there is a way, just using an ultrasonic sensor, this is very simple where the level of water is measured using ultrasonic sensor which gives the depth, by determining the tank depth we can set the maximum and minimum. Water level alarm using 555 timer. Here is a simple, versatile project which indicates the level of water and automatically controls it by using pic microcontroller. Main components are transformer, pump, capacitor, voltage regulator. $1 automatic water level controller: Laser light security alarm schematic circuit diagram. Automatic water pump/level controller circuit with indicator.this project is very useful this automatic submersible motor pump controller circuit with three stage level indicator provides connect the all components as shown in image diagram, the value of resistors are should not. Design the water level controller buy components write software assemble physical setup implement the voltage conversion circuit. Clear circuit diagram is available, if necessary, with a component list. Water level controller with buzzer.