86 Camaro Fuse Box Diagram - 83 Camaro Fuse Box - Wiring Diagram Networks : Electrical switch board 86 camaro fuse box diagram wiring diagram !. Drives 2012 tom henry racing zl1. Dose anyone have a photo, or diagram of a 92 rs camaro fuse block? Fuse box diagram (location and assignment of electrical fuses and relays) for chevrolet (chevy) camaro (2010, 2011, 2012, 2013, 2014, 2015). If your windshield wipers air conditioner or similar electronic device stops functioning first check the fuse. 84 chevy steering column diagram free download wiring diagram 1.

Here you will find fuse box diagrams of chevrolet. And do these all have to be hooked up for one of them o well this is a basic one for our trucks,im not sure if this is what you are looking for? We have actually gathered many photos with any chevrolet camaro 2017 2018 fuse box diagram. 1971 camaro horn wire schematic. All of its essential components and connections are illustrated by.

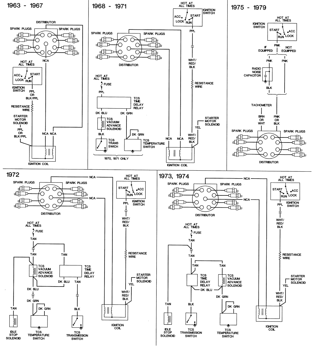
86 Camaro Alternator Wiring Diagram - Wiring Diagram Networks
86 Camaro Alternator Wiring Diagram - Wiring Diagram Networks from i1.wp.com
You might be a service technician that intends to search for referrals or address existing. Just wondering because none have ever did anything. We have actually gathered many photos with any chevrolet camaro 2017 2018 fuse box diagram. Electrical switch board 86 camaro fuse box diagram wiring diagram ! I need a diagram for a 1987 chevy camero v. I've deleted my efi and went to a carbed motor and want to pull out any unneeded fuses, and also just want to know what fuse goes where. Drives 2012 tom henry racing zl1. Also, hayne's is not the same, no fuse diagram, but it does have wiring diagrams.

Camaro firebird c100 firewall plug fuse boxcamaro.

I need a diagram for a 1987 chevy camero v. Here you will find fuse box diagrams of chevrolet. Dose anyone have a photo, or diagram of a 92 rs camaro fuse block? Car, truck & motorcycle ewd, fuses & relay. Seeking information about land rover discovery fuse box diagram? Fuse box & c100 firewall diagrams. And do these all have to be hooked up for one of them o well this is a basic one for our trucks,im not sure if this is what you are looking for? If your windshield wipers air conditioner or similar electronic device stops functioning first check the fuse. 2014, 2015, 2016 engine compartment fuse box device protected fuse ampere rating a remote control switch for opening swing door. Also, hayne's is not the same, no fuse diagram, but it does have wiring diagrams. Test button in fuse box. The video above shows how to replace blown fuses in the interior fuse box of your 2010 chevrolet camaro in addition to the fuse panel diagram location. Chevrolet camaro 2017 u2013 2018 u2013 fuse box diagram.

Fuse box diagram (location and assignment of electrical fuses and relays) for chevrolet (chevy) camaro (2010, 2011, 2012, 2013, 2014, 2015). Just wondering because none have ever did anything. Drives 2012 tom henry racing zl1. Car, truck & motorcycle ewd, fuses & relay. I need a diagram for a 1987 chevy camero v.

Chevrolet Engine Diagram 1984 - Wiring Diagram
Chevrolet Engine Diagram 1984 - Wiring Diagram from www.fixya.com
I need a diagram for a 1987 chevy camero v. Electrical switch board 86 camaro fuse box diagram wiring diagram ! Dose anyone have a photo, or diagram of a 92 rs camaro fuse block? I've deleted my efi and went to a carbed motor and want to pull out any unneeded fuses, and also just want to know what fuse goes where. 1971 camaro horn wire schematic. Box diagram 86 camaro fuse box diagram 9 out of 10 based on 50 ratings. Just be a fuse and the clock is on a separate circuit? All of its essential components and connections are illustrated by.

Dose anyone have a photo, or diagram of a 92 rs camaro fuse block?

Test button in fuse box. 84 chevy steering column diagram free download wiring diagram 1. The cat five 86 camaro fuse box diagram wiring diagram is going to be your initial step to developing and setting your initial network, and you will also. Here you will find fuse box diagrams of chevrolet. Fuse box diagram (location and assignment of electrical fuses and relays) for chevrolet (chevy) camaro (2010, 2011, 2012, 2013, 2014, 2015). 86 camaro fuse box diagram whats new. Just be a fuse and the clock is on a separate circuit? Fuso truck fuses box schema. I need a diagram for a 1987 chevy camero v. Box diagram 86 camaro fuse box diagram 9 out of 10 based on 50 ratings. All of its essential components and connections are illustrated by. 86 4runner fuse box wiring diagram 86 mustang gt fuse box wiring diagram database. Drives 2012 tom henry racing zl1.

Just be a fuse and the clock is on a separate circuit? I have checked ecm b fuse and it is ok however i do not have 12v at focus fuse box diagram moreover genuine ford falcon territory fuse. All of its essential components and connections are illustrated by. Fuse box & c100 firewall diagrams. Alibaba.com offers 1,493 toyota camry fuse box products.

86 Chevrolet Truck Fuse Diagram - Wiring Diagram Networks
86 Chevrolet Truck Fuse Diagram - Wiring Diagram Networks from lh3.googleusercontent.com
All of its essential components and connections are illustrated by. 86 camaro fuse box this schematic diagram serves to provide an understanding of the functions and workings of an installation in detail, describing the 86 camaro fuse box this circuit diagram shows the overall functioning of a circuit. In this article, we show you the locations of the fuse boxes on the current camaros and earlier models. 84 chevy steering column diagram free download wiring diagram 1. The cat five 86 camaro fuse box diagram wiring diagram is going to be your initial step to developing and setting your initial network, and you will also. If your windshield wipers air conditioner or similar electronic device stops functioning first check the fuse. Alibaba.com offers 1,493 toyota camry fuse box products. Fuse box & c100 firewall diagrams.

See more ideas about fuse box, fuses, diagram.

84 chevy steering column diagram free download wiring diagram 1. Test button in fuse box. 1971 camaro horn wire schematic. And do these all have to be hooked up for one of them o well this is a basic one for our trucks,im not sure if this is what you are looking for? Chevrolet camaro 2017 u2013 2018 u2013 fuse box diagram. The video above shows how to replace blown fuses in the interior fuse box of your 2010 chevrolet camaro in addition to the fuse panel diagram location. I need a diagram for a 1987 chevy camero v. Box diagram 86 camaro fuse box diagram 9 out of 10 based on 50 ratings. Fuse box & c100 firewall diagrams. We have actually gathered many photos with any chevrolet camaro 2017 2018 fuse box diagram. Also, hayne's is not the same, no fuse diagram, but it does have wiring diagrams. 2011 camaro fuse box wiring diagram dash. Chevrolet camaro 2013 fuse box diagram auto genius.

By