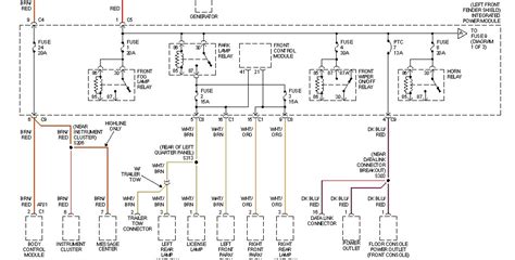
2002 Dodge Grand Caravan Wiring Diagram : 2002 Dodge Caravan Schematic - Cars Wiring Diagram : I've had people suggest ground wire or the bcm to be the issue.. I need wire diagrams to show ground cables from or to pcm ( computer) for 2002 dodge grand caravan sport 3.3 thank you. Grand caravan automobile pdf manual download. Caravan power window lift system circuit diagram. I've had people suggest ground wire or the bcm to be the issue. Dodge jr sebring stratus 2002 system wiring diagrams pdf free online daimlerchrysler corporation wiring diagrams are designed to provide.

I need wire diagrams to show ground cables from or to pcm ( computer) for 2002 dodge grand caravan sport 3.3 thank you. 2002 dodge grand caravan values & cars for sale | kelley learn more about the 2002 dodge grand caravan. 2002 dodge caravan service repair manual. This webpage contains dodge grand caravan 2002 workshop manual pdf used by dodge garages, auto repair shops, dodge dealerships and home with this dodge grand caravan workshop manual, you can perform every job that could be done by dodge garages and mechanics from Chrysler gs voyager caravan grandcaravan 1998 system wiring diagrams.

2002 DODGE CARAVAN 3 3 L ENGINE DIAGRAM - Auto Electrical ...
2002 DODGE CARAVAN 3 3 L ENGINE DIAGRAM - Auto Electrical ... from i0.wp.com
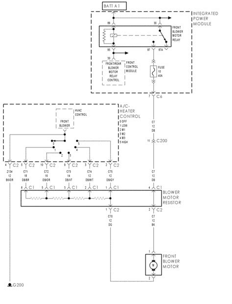
Question about 2002 dodge grand caravan. View and download dodge grand caravan owner's manual online. 2002 dodge caravan service repair manual. Caravan power window lift system circuit diagram. This is the highly detailed factory service repair manual for the2002 dodge caravan, this service manual has detailed illustrations as well as step by step instructions,it is 100 percents complete and. Chrysler gs voyager caravan grandcaravan 1998 system wiring diagrams. Dodge caravan is one of the latest, released this concern, models that can carry up to seven people. Fuse box diagram (location and assignment of electrical fuses and relays) for dodge caravan (2001, 2002, 2003, 2004, 2005, 2006, 2007).

I need wire diagrams to show ground cables from or to pcm ( computer) for 2002 dodge grand caravan sport 3.3 thank you.

I've had people suggest ground wire or the bcm to be the issue. This webpage contains dodge grand caravan 2002 workshop manual pdf used by dodge garages, auto repair shops, dodge dealerships and home with this dodge grand caravan workshop manual, you can perform every job that could be done by dodge garages and mechanics from Caravan power window lift system circuit diagram. Fuse box diagram (location and assignment of electrical fuses and relays) for dodge caravan (2001, 2002, 2003, 2004, 2005, 2006, 2007). Grand caravan automobile pdf manual download. The previously released dodge charge has more powerful technical. Dodge ram truck 2002 workshop manual pdf. Do you think that is the issue? This is the highly detailed factory service repair manual for the2002 dodge caravan, this service manual has detailed illustrations as well as step by step instructions,it is 100 percents complete and. Feel free to use any dodge remote start wiring diagram that is listed on modified life but keep in mind that all the information here is provided as is without any warranty of any kind and most of the remote start wiring schematics listed on our enthusiast website are submitted by the modified life community. 2002 dodge caravan service repair manual. Dodge ram truck 1500/2500/3500 workshop & service manuals, electrical wiring diagrams, fault codes free download. View and download dodge grand caravan owner's manual online.

Do you think that is the issue? Hi tizzy, could you send me a 2002 dodge caravan wiring diagram headlights. Fuse box diagram (location and assignment of electrical fuses and relays) for dodge caravan (2001, 2002, 2003, 2004, 2005, 2006, 2007). I need wire diagrams to show ground cables from or to pcm ( computer) for 2002 dodge grand caravan sport 3.3 thank you. Dodge caravan fuse panel instructions.

DIAGRAM 03 Dodge Caravan Wiring Diagram FULL Version HD ...
DIAGRAM 03 Dodge Caravan Wiring Diagram FULL Version HD ... from ricardolevinsmorales.com
Question about 2002 dodge grand caravan. The previously released dodge charge has more powerful technical. 2002 dodge grand caravan values & cars for sale | kelley learn more about the 2002 dodge grand caravan. Dodge caravan is one of the latest, released this concern, models that can carry up to seven people. Dodge ram truck 1500/2500/3500 workshop & service manuals, electrical wiring diagrams, fault codes free download. Dodge grand caravan es 1993 system wiring diagrams pdf. Dodge jr sebring stratus 2002 system wiring diagrams pdf free online daimlerchrysler corporation wiring diagrams are designed to provide. Dodge ram truck 2002 workshop manual pdf.

Dodge grand caravan es 1993 system wiring diagrams pdf.

The previously released dodge charge has more powerful technical. Caravan power window lift system circuit diagram. 2002 dodge caravan service repair manual. Do you think that is the issue? 2002 dodge grand caravan values & cars for sale | kelley learn more about the 2002 dodge grand caravan. Dodge ram truck 2002 workshop manual pdf. I've had people suggest ground wire or the bcm to be the issue. This is the highly detailed factory service repair manual for the2002 dodge caravan, this service manual has detailed illustrations as well as step by step instructions,it is 100 percents complete and. View and download dodge grand caravan owner's manual online. Hi tizzy, could you send me a 2002 dodge caravan wiring diagram headlights. Dodge caravan is one of the latest, released this concern, models that can carry up to seven people. Feel free to use any dodge remote start wiring diagram that is listed on modified life but keep in mind that all the information here is provided as is without any warranty of any kind and most of the remote start wiring schematics listed on our enthusiast website are submitted by the modified life community. This webpage contains dodge grand caravan 2002 workshop manual pdf used by dodge garages, auto repair shops, dodge dealerships and home with this dodge grand caravan workshop manual, you can perform every job that could be done by dodge garages and mechanics from

Do you think that is the issue? Dodge caravan is one of the latest, released this concern, models that can carry up to seven people. I've had people suggest ground wire or the bcm to be the issue. Dodge caravan fuse panel instructions. 2002 dodge caravan service repair manual.

I need a no crank no start diagnosis on a 2002 Dodge Grand ...
I need a no crank no start diagnosis on a 2002 Dodge Grand ... from ww2.justanswer.com
Caravan power window lift system circuit diagram. Dodge jr sebring stratus 2002 system wiring diagrams pdf free online daimlerchrysler corporation wiring diagrams are designed to provide. Dodge ram truck 2002 workshop manual pdf. This webpage contains dodge grand caravan 2002 workshop manual pdf used by dodge garages, auto repair shops, dodge dealerships and home with this dodge grand caravan workshop manual, you can perform every job that could be done by dodge garages and mechanics from Chrysler gs voyager caravan grandcaravan 1998 system wiring diagrams. I need wire diagrams to show ground cables from or to pcm ( computer) for 2002 dodge grand caravan sport 3.3 thank you. Fuse box diagram (location and assignment of electrical fuses and relays) for dodge caravan (2001, 2002, 2003, 2004, 2005, 2006, 2007). 2002 dodge grand caravan values & cars for sale | kelley learn more about the 2002 dodge grand caravan.

Do you think that is the issue?

Caravan power window lift system circuit diagram. Dodge caravan fuse panel instructions. Do you think that is the issue? 2002 dodge grand caravan values & cars for sale | kelley learn more about the 2002 dodge grand caravan. Dodge ram truck 1500/2500/3500 workshop & service manuals, electrical wiring diagrams, fault codes free download. Feel free to use any dodge remote start wiring diagram that is listed on modified life but keep in mind that all the information here is provided as is without any warranty of any kind and most of the remote start wiring schematics listed on our enthusiast website are submitted by the modified life community. Dodge grand caravan es 1993 system wiring diagrams pdf. Grand caravan automobile pdf manual download. The previously released dodge charge has more powerful technical. Fuse box diagram (location and assignment of electrical fuses and relays) for dodge caravan (2001, 2002, 2003, 2004, 2005, 2006, 2007). Chrysler gs voyager caravan grandcaravan 1998 system wiring diagrams. 2002 dodge caravan service repair manual. Dodge jr sebring stratus 2002 system wiring diagrams pdf free online daimlerchrysler corporation wiring diagrams are designed to provide.

By